О товаре:
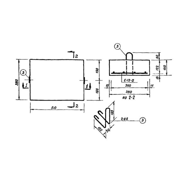
- Длинна: 510 мм.
- Ширина: 380 мм.
- Высота: 140 мм.
- Вес: 68 кг.
- ГОСТ, Серия: Серия ИИ 01-02 скачать
- Объем бетона: 0,027 м3
- Геометрический объем: 0,0271 м3
Стандарт изготовления изделия: Серия ИИ 01-02
Плиты опорные ОП 6 (ИИ 01-02) являются унифицированными строительными материалами, имеющими прямоугольную форму. На торцевых гранях располагаются специальные петли, упрощающие осуществление процесса погрузочно-разгрузочных работ и монтажа конструкций. Изделия отличаются гладкими и ровными поверхностями.
Применяются опорные плиты в сфере гражданского домостроения при возведении жилых домов, общественных зданий, производственных предприятий, а также административно-бытовых сооружений и других учреждений. Конструкции широко применяются для опирания прогонов и изготавливаются трех типоразмеров для обеспечения широких диапазонов вариаций в применении различных типовых проектов.
Маркировочное обозначение
На поверхности строительных материалов есть символы, специально призванные отображать ключевые характеристики элементов. Для их нанесения следует использовать масляную водостойкую краску. Совокупность знаков ОП 6 (ИИ 01-02) имеет следующую расшифровку:
1. ОП - тип конструкции - опорная плита;
2. 6 - порядковый номер типоразмера изделия.
Дополнительно на поверхности конструкции, в местах, где отсутствует рабочая арматура, может быть нанесен несмываемой краской или выдавливанием знак в виде буквы «в», обозначающие верх изделия. Запрещено изменять маркировочные обозначения, так как это может привести к возникновению ошибок при выборе необходимых строительных материалов под нужды типового проекта. Дополнительно следует отражать массу, дату производства и штамп отдела технического контроля.
Особенности производства
Подробное описание процесса производства опорных плит ОП 6 (ИИ 01-02) прописано в нормативном документе Серии ИИ 01-02. С учетом требований регламента для обеспечения сохранения точных геометрических пропорций, изготовление конструкций должно осуществляться в стальных опалубочных формах. В качестве главной материала необходимо использовать бетон марки М140 по прочности на сжатие. Физико-химические показатели бетона, такие как водонепроницаемость и морозостойкости подбираются индивидуально под каждый конкретный случай.
Армирование принято из стали марки Ст0 с нормативным сопротивлением 2500 кг/см2. Сварные сетки должны собираться с помощью контактной точечной сварки в соответствии с требованиями ТУ 73-50. Не допускается наличие оголенного армирования на поверхности изделий. Строповочные петли следует производить из того же материала, что сварные сетки с диаметром стержней 6 мм. Для продления эксплуатационного срока конструкций следует покрывать все металлические составляющие специальными противокоррозионными составами.
Потребителю поставляются конструкции, прошедшие полный комплекс приемо-сдаточных испытаний и отвечающие всем требованиям нормативно-правовой документации. Элементы, имеющие дефекты лицевых поверхностей, сколы и трещины, а также оголенное армирование, должны отбраковываться и складироваться отдельно.
Транспортировка и хранение
Складирование и транспортировка опорных плит ОП 6 (ИИ 01-02) должна осуществляться с безукоризненным соблюдением правил и норм по технике безопасности. Погрузочно-разгрузочные работы необходимо осуществлять специализированной техникой, оснащенной захватными механизмами. Важно беречь изделия в возникновении любых механических повреждений и использовать инвентарные деревянные подкладочные материалы, предотвращающие возникновение продольных и поперечных смещений, а также бой конструкции. Следует надежно фиксировать элементы в кузове транспортного средства до начала движения.

